Fixation murale acier pour structure carré ou triangulaire série 300, charge 560kg, déport 0,40m
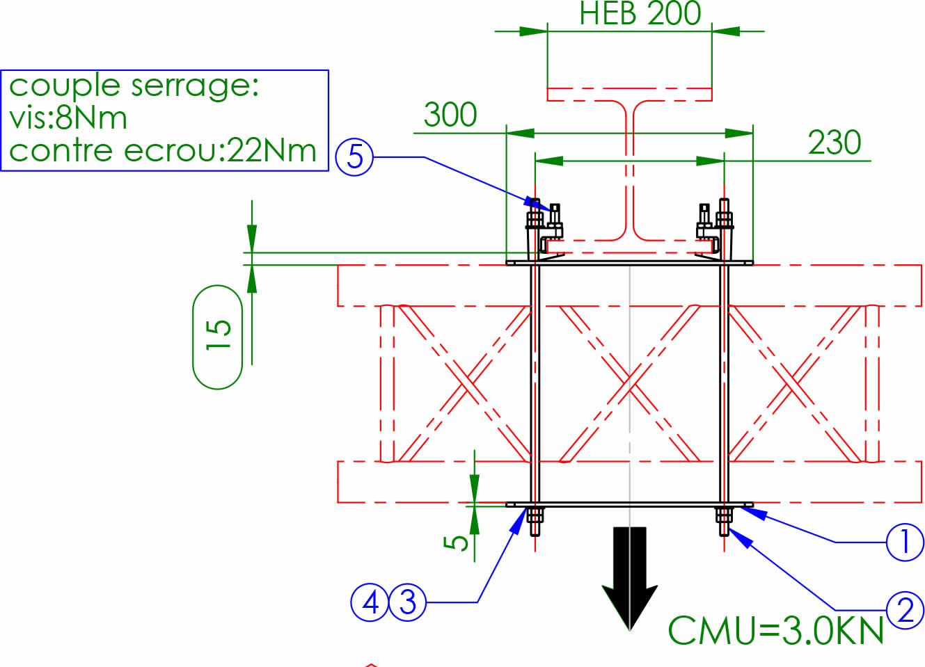
Ensemble d'accroche double pour série 300 carré sur poutre IPN type HEB180, CMU 300kg
Pièce de suspension pour série 300 carrée, acier noir, charge maxi 500kg
Ensemble d'accroche 1côté pour série 300 carré sur poutre IPN type HEB, CMU 150 kg
Ensemble d'accroche double pour série 300 carré sur poutre IPN type HEB240, CMU 300kg
Pied de levage à treuil, hauteur maxi 7,30m, charge maxi 300kg, noir
Pied chandelle 4 pieds pour jonction entre 4 praticables ASD, hauteur 1m
Embase "chandelle" pour tube Ø50mm, 4 trous entre-axe structure série 300 carré pour assemblage sur embase lourde, couleur noire
Tourelle blanche pour tube Ø35mm
Tête de totem pour poutre série 300 carré, noire, pour asservis type Martin (Axiom, Viper, Rush MH4)
Nos équipes sont prêtes à répondre à vos besoins et à concrétiser vos projets. Contactez votre agence locale ou laissez-nous un message, nous serons ravis de vous accompagner.